
SCI 滾珠螺桿 單螺母無法蘭型
臺灣TBI滾珠螺桿SCI系列有外循環方式和內循環方式兩種,TBI絲桿SCI系列的是內循環螺母,TBI滾珠絲桿采用哥德式溝槽形狀、軸方向間隙調整至極小亦能輕易轉動,及嚴謹的材料借高度熱處理及加工技術,可供給耐久性的制品。
原產地—臺灣
等級—C7級-C5級
SCI螺桿直徑——16mm-80mm
螺距(導程)–4mm、5mm、10mm
絲桿長度——根據要求定做
有效行程——根據要求定做
聯接軸徑——根據要求定做
TBI滾珠螺桿為全新絲桿,如需要加工兩端請提供圖紙。

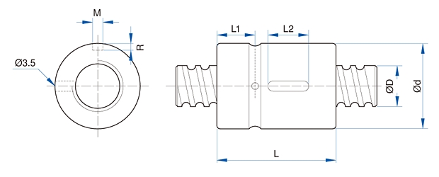
| 型號 Model No. |
滾珠螺桿、螺帽之基準數據 Dimensions 單位 : mm | |||||||||||||
|---|---|---|---|---|---|---|---|---|---|---|---|---|---|---|
| d | I | Da | D | L | L1 | L2 | M | R | n | Ca | Coa | K | ||
| SCI01604-4 | 16 | 4 | 2.381 | 30 | 40 | 9 | 15 | 3 | 1.5 | 1x4 | 973 | 2406 | 32 | |
| ★ | SCI01605-4 | 5 | 3.175 | 30 | 45 | 9 | 20 | 5 | 3 | 1x4 | 1380 | 3052 | 33 | |
| SCI02004-4 | 20 | 4 | 2.381 | 34 | 40 | 9 | 15 | 3 | 1.5 | 1x4 | 1066 | 2987 | 37 | |
| ★ | SCI02005-4 | 5 | 3.175 | 34 | 45 | 9 | 20 | 5 | 3 | 1x4 | 1551 | 3875 | 39 | |
| SCI02504-4 | 25 | 4 | 2.381 | 40 | 40 | 9 | 15 | 3 | 1.5 | 1x4 | 1180 | 3795 | 43 | |
| ★ | SCI02505-4 | 5 | 3.175 | 40 | 45 | 9 | 20 | 5 | 3 | 1x4 | 1724 | 4904 | 45 | |
| SCI02510-4 | 10 | 4.762 | 46 | 85 | 13 | 30 | 5 | 3 | 1x4 | 2954 | 7295 | 51 | ||
| SCI03204-4 | 32 | 4 | 2.381 | 46 | 40 | 9 | 15 | 3 | 1.5 | 1x4 | 1296 | 4838 | 49 | |
| ★ | SCI03205-4 | 5 | 3.175 | 46 | 45 | 9 | 20 | 5 | 3 | 1x4 | 1922 | 6343 | 52 | |
| ★ | SCI03210-4 | 10 | 6.350 | 54 | 85 | 13 | 30 | 5 | 3 | 1x4 | 4805 | 12208 | 62 | |
| ★ | SCI04005-4 | 40 | 5 | 2.381 | 56 | 45 | 9 | 20 | 5 | 3 | 1x4 | 2110 | 7988 | 59 |
| ★ | SCI04010-4 | 10 | 6.350 | 62 | 85 | 13 | 30 | 5 | 3 | 1x4 | 5399 | 15500 | 72 | |
| SCI05010-4 | 50 | 10 | 6.350 | 72 | 85 | 13 | 30 | 5 | 3 | 1x4 | 6004 | 19614 | 83 | |
| ★ | SCI06310-4 | 63 | 10 | 6.350 | 85 | 85 | 13 | 30 | 6 | 3.5 | 1x4 | 6719 | 25358 | 95 |
| ★ | SCI08010-4 | 80 | 10 | 6.350 | 105 | 85 | 13 | 30 | 8 | 4.5 | 1x4 | 7346 | 31953 | 109 |
TBI滾珠螺桿產品應用:
CNC機械螺桿——-CNC加工中心、CNC車床、CNC銑床、CNC放電加工機、CNC磨床、CNC線切割機、CNC鉆孔機、專用機…等等
產業機械絲桿——印刷機、造紙機、自動化機械、紡織機、繪圖機。
電子機械絲桿——量測儀器、x-y平臺、醫學設備、工廠自動化設備、PCB鉆孔機、IC封裝機、半導體設備、工廠自動化設備…等
輸送機械滾珠螺桿——Robort Stage、材料搬送設備、核能反應器,高度致動器…等
航天工業滾珠絲桿——飛機襟翼、機場負載設備。
精密工具機絲桿—-銑床、磨床、放電加工機、刀具磨床、齒輪加工機、鉆床、刨床
其它滾珠螺桿—-如天線使用的致動器、閥門開關裝置…等。
無法蘭型SCI滾珠螺桿特點:
1.高信耐性:
啟威傳動TBI滾珠螺桿是以多年來所累積的制品技術為基礎,從材料、熱處理、制造、檢查至出貨,都是以嚴謹的品保制度來加以管理,因此具有高信賴性。
2.圓滑的動作性:
啟威傳動 TBI滾珠絲桿比一般滑動螺桿具更高的效率,所需扭矩只有30%以下。可輕易將直線運動變換為回轉運動。滾珠螺桿既使給與預壓,亦能維持圓滑的動作特性。
3.無背隙與高剛性
TBI絲桿螺母 MOTION采用哥德式溝槽形狀、軸方向間隙調整至極小亦能輕易轉動。又于1個或2個螺帽間做預壓調整,予消除軸方向間隙,使具有可符合使用條件的適當剛性。
4.循環方式:
TBI螺母有外循環方式和內循環方式兩種,很大程度上解決了大家在選型時被誤導的局面,歸為兩大類的循環方式,可讓大家在選型時,只用了解螺桿及螺帽的特性,就能更輕易的區分開來自己所適用的產品型號。
6. 優異的耐久性:
TBI絲桿 MOTION以累積多年的滾珠螺桿之生產技術為基礎,采用嚴謹的材料借高度熱處理及加工技術,可供給耐久性的制品。





