臺灣TBI滾珠絲桿SFU3205-4
廣東啟威傳動科技專業代理、加工、銷售TBI滾珠絲桿SFU3205-4【原裝正品、現貨供應、專業絲桿加工、價格合理】
SFU3205臺灣TBI滾珠絲桿參數:
絲桿外徑:32mm
絲桿導程:5MM
珠徑:3.175mm
螺母外徑:50mm
法蘭直徑:80mm
法蘭的厚度:12mm
螺母長度:65mm
法蘭的寬度:62mm
珠圈數:1×4
動額定負荷:1922
靜額定負荷:6343
絲桿螺母剛性:54

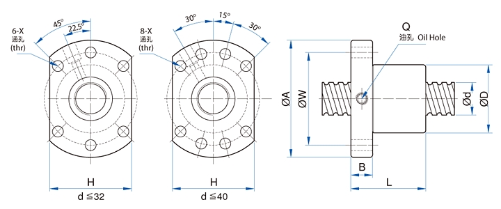
I : 導程, Da : 珠徑, n : ,卷數, Ca : 動額定負荷(kgf), Coa : 靜額定負荷(kgf), K : 鋼性(kgf/μm) ★ : 可制作左螺紋
型號 Model No. |
滾珠螺桿、螺母之基準參數 Dimensions 單位 : mm |
| d |
I |
Da |
D |
A |
B |
L |
W |
X |
H |
Q |
n |
Ca |
Coa |
K |
|
SFU03204-4 |
32 |
4 |
2.381 |
50 |
80 |
12 |
44 |
65 |
9 |
62 |
M6 |
1x4 |
1296 |
4838 |
51 |
| ★ |
SFU03205-4 |
5 |
3.175 |
50 |
80 |
12 |
52 |
65 |
9 |
62 |
M6 |
1x4 |
1922 |
6343 |
54 |
|
SFU03206-4 |
6 |
3.969 |
50 |
80 |
12 |
57 |
65 |
9 |
62 |
M6 |
1x4 |
2632 |
7979 |
57 |
|
SFU03208-4 |
8 |
4.762 |
50 |
80 |
12 |
65 |
65 |
9 |
62 |
M6 |
1x4 |
3387 |
9622 |
60 |
| ★ |
SFU03210-4 |
10 |
6.350 |
50 |
80 |
12 |
90 |
65 |
9 |
62 |
M6 |
1x4 |
4805 |
12208 |
61 |
臺灣TBI滾珠絲桿3205滾珠絲桿材料比普通絲杠要求更高。TBI絲桿為了能承受高的接觸應力,要求絲杠工作表面硬度≥HRC60。如表面硬度降低HRC5單位,就會使傳動的承載能力減少20%。所以僅對某些長絲杠允許硬度稍低一些。同時為保持精度,絲杠的尺寸和形狀在使用中要長期保持不變,要求材料變形小和組織穩定。
【滾珠螺母噪音低且運動流暢】
SFUR3205-4因滾珠絲桿所採用的是端蓋環迴圈方式,所以噪音低,并能實現平滑流暢的運動。
【高剛性的支撐軸承】
SFUR3205因在滾珠絲桿側的支撐軸承採用了軸向高剛性的60°“接觸角,滾珠花鍵側的支撐軸承採用了力矩方向高剛性的30°接觸角,所以能得到高剛性的支撐軸承。另外,作為標準附帶的專用橡膠密封墊片,可防止異物的侵入。